L'approvisionnement IC ébrèchent le régulateur de µModule de quadruple de LTM4670EY avec le tableau de sorties 10A configurable
Description de produit de LTM4670EY
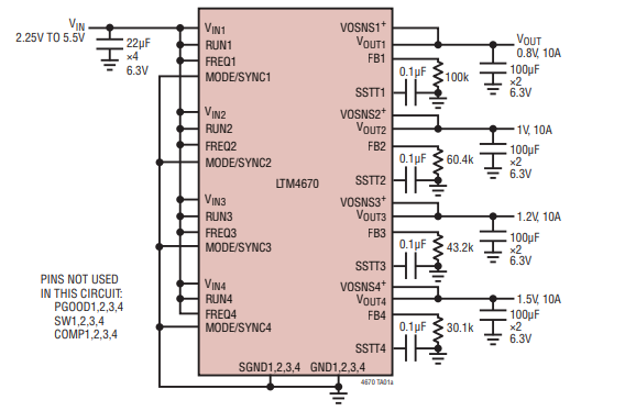
Le LTM4670EY est un régulateur dévolteur de µModule® du quadruple DC/DC (micromodule) avec 10A par sortie. Des sorties peuvent être mises en parallèle dans une rangée pour jusqu'à la capacité 40A. Inclus dans le paquet sont le contrôleur de changement, des transistors MOSFET de puissance, l'inducteur et tous les composants de soutien. Fonctionnant sur une gamme de tension d'entrée de 2.25V à 5.5V, les gammes de chaque tension de sortie à partir de 0.5V à VIN ont placé par seulement une résistance externe. Sa conception de rendement élevé fournit le courant de sortie 10A continu par canal. Seulement quelques condensateurs d'entrée et sortie sont nécessaires.
Le LTM4670EY utilise une architecture Switcher®2 silencieuse avec les condensateurs de by-pass chauds internes de boucle pour réaliser le bas IEM et le rendement élevé. La fréquence de défaut est intérieurement placée à 2MHz, il peut être extérieurement synchronisée à une horloge de 1MHz à 2.6MHz.
Spécifications de LTM4670EY
| Numéro de la pièce : | LTM4670EY |
| 2,25 V | |
| 5,5 V | |
| 70 mA | |
| 2 mégahertz | |
| - 40 C | |
| + 125 C | |
| LTM4670 |
Caractéristiques de LTM4670EY
Applications de LTM4670EY
Applications typiques de LTM4670EY

FAQ
Q : Vos produits sont-ils originaux ?
: Oui, tous les produits sont importation originale originale et nouvelle est notre but.
Q : Quels certificats avez-vous ?
: Nous sommes compagnie d'OIN et membre certifiés par 9001:2015 d'ERAI.
Q : Pouvez-vous soutenir l'ordre ou l'échantillon de petite quantité ? L'échantillon est-il libre ?
: Oui, nous soutenons l'ordre d'échantillon et la commande. Le coût d'échantillon est différent selon votre ordre ou projet.
Q : Comment embarquer mon ordre ? Est-ce sûr ?
: Nous employons exprès pour embarquer, comme DHL, Fedex, UPS, TNT, EMS.We pouvons également employer votre expéditeur suggéré. Les produits seront dans le bien emballant et assurer la sécurité et nous soyez responsable aux dommages de produit à votre ordre.
Q : Que diriez-vous du délai d'exécution ?
: Nous pouvons embarquer les parties courantes dans un délai de 5 jours ouvrables. Si sans actions, nous confirmerons le délai d'exécution pour vous avons basé sur votre quantité d'ordre.
Personne à contacter: Mr. Sales Manager
Téléphone: 86-13410018555
Télécopieur: 86-0755-83957753